Mini Cooper S r56 gaat niet meer open - centrale vergrendeling werkt niet

De 2e generatie vanaf 2006
SIL
Nieuw Lid
Nieuw Lid
Berichten: 5
Lid geworden op: 14 feb 2023, 16:21

Mini Cooper S r56 gaat niet meer open - centrale vergrendeling werkt niet

15 feb 2023, 12:00

Ervaringen, advies of tips? Mini Cooper S R56
** Update 28, feb: Deels opgelost, in de zin dat de auto nu open is.
Voor degene die ook tegen dit probleem aanloopt: De achterklep is te openen via het achterlicht rechts. De lamp moet eruit, er zit een grijs/groen kabeltje als je daar stroom opzet, gaat je achterklep open.
Nu nog achterhalen waarom de sleutels vanaf buitenaf zomaar ineens niet meer kan werken. Voor de zekerheid toch maar weer een nieuwe accu gekocht, maar gaan het nog verder onderzoeken.

** Update 25, feb:
Afgelopen vrijdag mijn sleutels laten Testen bij Ekris. Sleutels werken gewoon, daar ligt het niet aan. Zij weten ook niet waar het probleem aan ligt. De autodiefstalbeveiliging werkt zo goed dat we er niet meer in kunnen.
Vermoeden is dat het aan de regelunit ligt of nog steeds aan de centrale vergrendeling (in de binnenspiegel).


Het slot blokkeert, we kunnen de sleutel in het sleutelgat niet omdraaien. Is waarschijnlijk zolang niet gebruikt dat er troep inzit of oud/geroest is.

Er stonden meer foutcode op het rapport, ik heb er zelf geen verstand van.. We denken dat het te maken heeft met de volgende foutmelding:
Spanningsvoeding defect (DSC - dynamische stabiliteitscontrole/el..):
- Foutcode DTC 5E31:ECU
- Foutcode DTC 5E30:ECU

Nog steeds geen oplossing over hoe we de auto open kunnen krijgen..
-----------------------------------------------------------------------------------------------------------------

Helaas kom ik mijn Mini niet meer in :?
Hij lijkt volledig te blokkeren.

Nadat de waterpomp en thermosstaathuis vervangen zijn, was ik blij dat ik na een lange tijd mijn auto weer terug had en kon rijden… totdat het gevroren had en de auto niet meer open ging.
We dachten dat mogelijk de sleutel (en daarbij ook de reservesleutel) het niet meer goed deed en had ik nieuwe batterijen besteld. We waren hoopvol maar tevergeefs.. Mechanisch gaat de deur ook niet open helaas, waarschijnlijk ook elektrisch verbonden. Na vele (inbraak) pogingen, leek de enige optie te zijn om een raam in te tikken. Dat hebben we helaas ook moeten doen en wanneer ik de sleutel in het start/stop had gedaan, startte m’n mini gelijk. Ook werkte de sleutels daarna gewoon.
Na 2 weken kon het raam vervangen worden en is de auto uitgelezen en daarbij de foutmeldingen verwijderd. Ik kon weer rijden en de volgende dag ook.

Totdat het weer een nachtje gevroren had en die dag erna de auto weer niet open ging!
Gisteren van alles geprobeerd incl. met startkabels onder de auto. We dachten een filmpje gevonden te hebben waarvan de centrale vergrendeling automatisch open zou gaan met startkabels, maar tot nu toe niet gelukt. (lampjes gaan aan, maar auto springt niet uit het slot)
Accu is ook volledig geladen, we dachten eerst dat die te zwak was en de oorzaak zou zijn.

Mijn pa is automonteur, maar komt hier zelf ook niet uit.

Iemand ervaringen, advies of tips hiermee? Hoe krijgen we de auto open? Wat zou er mis kunnen zijn?

Enige wat ik me nu kan bedenken is:
- Centrale vergrendeling is kapot
(daarbij is de mogelijkheid dat mijn auto vaak vochtig is van binnen en er vermoedelijk een daklekkage is);
- Beiden sleutels werken niet goed meer, of de auto vergeet/blokkeert de sleutels, totdat ze weer in het slot zijn geweest;
- Er is mogelijk iets mis met het start/stop systeem? Na de eerste keer dat we het raam hadden ingetikt, deed het start/stop systeem raar. Enkele keren konden we de auto niet meer uit doen doordat het knopje volledig blokkeerde en niet meer ingedrukt kon worden. De foutmelding is verwijderd en daarna geen last meer van gehad.

Het betreft een Mini Cooper S R56 uit 2007 met start/stop systeem.

Ik ben benieuwd naar jullie reacties, wie weet kan het ons een stapje verder helpen.
Belangrijkste is nu om weer in de auto te komen.. :|
Mvg
Laatst gewijzigd door SIL op 28 feb 2023, 12:48, 2 keer totaal gewijzigd.
Gebruikersavatar
Robert
NMC Moderator
NMC Moderator
Berichten: 3367
Lid geworden op: 18 okt 2005, 15:34

Re: Mini Cooper S r56 gaat niet meer open - centrale vergrendeling werkt niet

16 feb 2023, 07:27

Welkom op het forum. Weet dat er ook een voorstel-topic is, en dat het zeer op prijs wordt gesteld dat nieuwe leden zichzelf en de MINI daar even voorstellen.

Jammer dat je MINI niet doet wat jij wilt. Je typt dat je foutmeldingen hebt gereset. Weet je welke meldingen dat waren? Hadden die te maken met de centrale vergrendeling?
Met de sleutel, dus niet de afstandsbediening, moet de MINI altijd open willen. Dat is echt mechanisch. Kan wel zijn dat het alarm afgaat. Maar de MINI moet wel van het slot af gaan, zodat je van binnenuit van alles (motorkap, ander deur, etc.) kan ontgrendelen.
Welke lampjes gaan branden als je poogt de deur te openen? Zijn dat de knipperlichten, interieur? Als dat zo is, dan reageert ie wel op de afstandsbediening. En dan zou het vreemd zijn als er geen enkele deur opengaat. Dan zouden alle slotmotoren kapot zijn. Kan natuurlijk, maar die kans lijkt me klein.
En ja, de auto kan wel eens vochtig zijn van binnen, ligt ook deels aan de luchtvochtigheid buiten. Maar als het water bijna van de ruiten druipt, of alle matten nat zijn, ja dan is er wel iets ernstigers aan de hand. En zeker als de matten nat zijn, dan kan dat ook voor allerlei vervelende en onverklaarbare storingen zorgen.

Oh, en bij "start/stop-systeem" kreeg ik het idee dat het te maken had met de efficiency dynamics, het systeem dat de motor even tijdelijk uitzet bijvoorbeeld voor een verkeerslicht. Maar je doelt gewoon op een startknop. :)
deusjevo
4 op een rij!
4 op een rij!
Berichten: 134
Lid geworden op: 19 aug 2021, 10:20

Re: Mini Cooper S r56 gaat niet meer open - centrale vergrendeling werkt niet

16 feb 2023, 08:01

Kan het niet “gewoon” een massaprobleem zijn?
Midnight black MINI Clubman Cooper 100kW uit 2016 :icon_top:
Gebruikersavatar
Schroefie
NMC Staff
NMC Staff
Contacteer:
Locatie: Veghel
Berichten: 3428
Lid geworden op: 02 jan 2014, 18:12
Nederland

Re: Mini Cooper S r56 gaat niet meer open - centrale vergrendeling werkt niet

19 feb 2023, 15:06

SIL,

voor bordurend op het verhaal van Robert wat hij zegt over het openen van de deur met de sleutel, dit is mechanisch en moet gewoon mogelijk zijn. Ik heb ooit het probleem gehad dat een voorruit niet goed ingeplakt was en dat daardoor een lekkage ontstond. Ik kon de auto niet meer openen met de AB. Dit was het gevolg dat door de lekkage mijn binnenspiegel, waar zich de ontvanger in bevindt van de AB, vol water stond en de ontvanger van de AB kapot was. Ik kon toen gewoon de deur openen met de sleutel en wat Robert aangeeft ging bij mij direct het alarm af, door meteen de AB zender in het contact te steken zette je gelijk het alarm uit.

Ik zal even kijken of ik het electrische schema van het slot kan terugvinden om te kijken of er naast het mechanisch openen van het slot er toch ook een electrische voorwaarde blijkt te zijn.

Milco
Gebruikersavatar
Schroefie
NMC Staff
NMC Staff
Contacteer:
Locatie: Veghel
Berichten: 3428
Lid geworden op: 02 jan 2014, 18:12
Nederland

Re: Mini Cooper S r56 gaat niet meer open - centrale vergrendeling werkt niet

19 feb 2023, 16:16

SIL,

hieronder het centrale locking systeem uitgelegd. Ook hier wordt aangegeven dat je de deur/auto met de mechanische sleutel (Die je verwijderd van je AB-sleutel middels chrome knopje aan de achterzijde) moet kunnen openen. Als dat niet gaat denk ik eerder dat je deur sluitmechanisme in je deur kapot is want met de mechanische sleutel moet je hem gewoon kunnen openen. De FRM module regelt verder de signalen voor de rest. Hiernaast gaf je aan dat je batterijen besteld had voor de sleutels. Je hebt alleen batterijen in de sleutel als je het Comfort Access systeem hebt dus heeft jouw MINI het Comfort Access systeem? Heb je het standaard systeem dan heeft je AB sleutel een accu die tijdens het rijden opgeladen wordt.

Central locking system
The central locking system is split over several control units, in accordance with function. The Car Access System (CAS) monitors all the processes in the central locking system. The CAS is the master control unit for the central locking system. The following are the control units used for the central locking system:
Car access system (CAS)
Footwell module (FRM)
Junction Box Electronics (JBE)

Brief component description
The following components are described for the central locking system:
  • Driver's door lock
  • Door contacts
  • Master key
  • Central locking button
  • Rear lid button
  • Car access system (CAS)
  • Footwell module (FRM)
J
  • unction Box Electronics (JBE)
Driver's door lock
The driver's door lock allows mechanical locking, securing and unlocking of the vehicle. If the vehicle electrical system malfunctions, the driver's door can be unlocked using the mechanical key in the remote key.

Door contacts
The footwell module (FRM) detects the signals from the door contacts. The FRM forwards the signals over the K-CAN to the junction box electronics (JBE).

Remote control
The remote key allows the vehicle to be unlocked, locked or secured via radio. The radio signals from the remote key are received by the remote control receiver and forwarded to the Car Access System (CAS). The remote control receiver is installed in the inside mirror.

Central locking button
The central locking button allows locking and unlocking from the passenger compartment. It is not possible to use the central locking button for double-unlocking and deadlocking. The central locking button is located in the switch panel centre console, which is integrated into the heating and air conditioning system control panel.

Rear lid button
The outside tailgate pushbutton can be used to open the tailgate if the vehicle is unlocked and stationary.

Car access system (CAS)
All the functions for controlling the central locking system are integrated into the CAS control unit. The commands are transferred via the K-CAN to the junction box electronics (JBE).

Junction Box Electronics (JBE)
The JBE is the activating control unit for the central locking system. The JBE handles activation of all the central-locking drives. The JBE consists of the junction box electronics and the power distribution box. The junction box is installed under the glove box.

Footwell module (FRM)
The footwell module (FRM) assesses the status of the door contacts. The FRM identifies the request when the mechanical key is used to lock or unlock the vehicle. The FRM transmits a message to the CAS via the K-CAN. The FRM is installed on the A-pillar in the driver's side footwell.


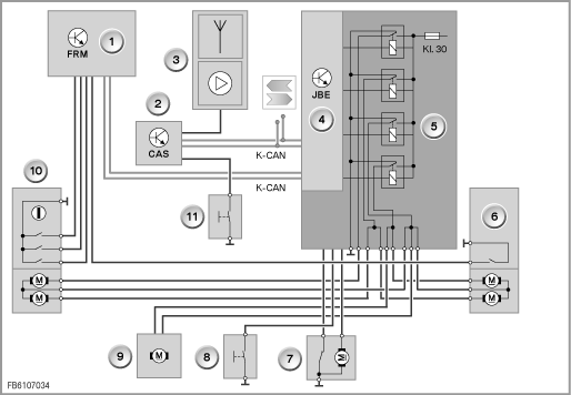
Block wiring diagram R56 zie bijlage

Index Explanation Index Explanation
1 Footwell module (FRM) 2 Car Access System (CAS)
3 Remote control receiver 4 Junction Box Electronics (JBE)
5 Power distribution box in junction box electronics (JBE) 6 Front passenger-door lock
7 Fuel filler flap 8 Rear lid button
9 Tailgate lock 10 Driver's door lock
11 Central locking button

System functions
The following system functions are described for the central locking system:
  • Locking
  • Deadlocking
  • Unlocking
  • Crash unlocking
  • Forced deadlock release
  • Lockout protection
  • Repeat interlock
  • Automatic relocking
  • Voltage monitoring
  • Selective unlocking
  • Speed-dependent locking
Locking
A locked door cannot be opened from the outside. However, the door can still be opened from the inside. To do this, the inner door handle must be pulled twice. Locking is carried out when:
  • the doors are closed.
  • the central locking button is operated.
  • the remote key is operated.
  • the driver's door lock is operated.
Deadlocking
A deadlocked door cannot be opened from the inside or outside. The deadlocking function is executed when locks are engaged either at the driver's door lock or using the remote key. Operations for deadlocking:
  • Terminal R OFF
  • Driver's door or front passenger door was opened
  • Driver's door closed
When the vehicle is deadlocked, the alarm system (DWA) is also activated.

Unlocking
An unlocked door can be opened from the inside and the outside. When the vehicle is unlocked, the alarm system (DWA) is also deactivated. If the power supply malfunctions, the driver's door can be unlocked using the mechanical spare key in the remote key.

Crash unlocking
A crash is detected by the multiple restraint system (MRS). A crash message is transmitted to the CAS. The message is sent on the K-CAN. The CAS unlocks the vehicle. All operating points are disabled when there is a crash message. This prevents unintentional actions of the central locking system from occurring due to line short circuits caused by the accident. The central locking system can only be reactivated after a crash once terminal R has been switched off for at least 3 seconds.

Forced deadlock release
When the CAS detects that a remote key is locked in place in the insertion slot, the central locking system is unlocked. The central locking system assumes the ”Lock” position. The anti-theft alarm system is also deactivated during forced release.

Lockout protection
To protect the driver against unintentionally locking himself out, all operating points are locked when the driver's door is open. This makes any additional mechanical lockout protection in the door locks unnecessary.

Repeat interlock
To protect the central locking drives from overloading, the CAS monitors repeated operation. The doors, tailgate and fuel filler flap are monitored. If there are more than fifteen operations within one minute, the electric motors are not unlocked for a certain time.

Automatic relocking
If the central locking system is unlocked using the remote key and no door or tailgate is opened within two minutes, a locking procedure is automatically carried out again.

Voltage monitoring
The functional range for the central locking system is specified as being from 9 to 16 volts. The drive units are not activated outside this range. If the voltage supply is interrupted, the state of the central locking system does not change (anti-theft protection!).

Selective unlocking
The first time there is an unlocking command, only the driver's door is unlocked. At all other doors the central-locking system switches from deadlocking to locking. The DWA is switched off and the doors remain locked. The remaining doors are unlocked when the unlocking command is given a second time. The function can be activated over the Car & Key Memory (dependent on the national-market version).

Speed-dependent locking
The central locking system is automatically locked from a driving speed of approx. 16 km/h. This function can be activated over the Car & Key Memory.

Notes for Service department
Nearly all Car and Key Memory functions are programmed inside the vehicle itself.
Bijlagen
Sleutel.png
Block Diagram.png
SIL
Nieuw Lid
Nieuw Lid
Berichten: 5
Lid geworden op: 14 feb 2023, 16:21

Re: Mini Cooper S r56 gaat niet meer open - centrale vergrendeling werkt niet

25 feb 2023, 12:48

Robert schreef:
16 feb 2023, 07:27
Welkom op het forum. Weet dat er ook een voorstel-topic is, en dat het zeer op prijs wordt gesteld dat nieuwe leden zichzelf en de MINI daar even voorstellen.

Jammer dat je MINI niet doet wat jij wilt. Je typt dat je foutmeldingen hebt gereset. Weet je welke meldingen dat waren? Hadden die te maken met de centrale vergrendeling?
Met de sleutel, dus niet de afstandsbediening, moet de MINI altijd open willen. Dat is echt mechanisch. Kan wel zijn dat het alarm afgaat. Maar de MINI moet wel van het slot af gaan, zodat je van binnenuit van alles (motorkap, ander deur, etc.) kan ontgrendelen.
Welke lampjes gaan branden als je poogt de deur te openen? Zijn dat de knipperlichten, interieur? Als dat zo is, dan reageert ie wel op de afstandsbediening. En dan zou het vreemd zijn als er geen enkele deur opengaat. Dan zouden alle slotmotoren kapot zijn. Kan natuurlijk, maar die kans lijkt me klein.
En ja, de auto kan wel eens vochtig zijn van binnen, ligt ook deels aan de luchtvochtigheid buiten. Maar als het water bijna van de ruiten druipt, of alle matten nat zijn, ja dan is er wel iets ernstigers aan de hand. En zeker als de matten nat zijn, dan kan dat ook voor allerlei vervelende en onverklaarbare storingen zorgen.

Oh, en bij "start/stop-systeem" kreeg ik het idee dat het te maken had met de efficiency dynamics, het systeem dat de motor even tijdelijk uitzet bijvoorbeeld voor een verkeerslicht. Maar je doelt gewoon op een startknop. :)
Dankje, inmiddels het voorstelforum gevonden en mezelf voorgesteld :)
Na een drukke week en nog steeds opzoek gegaan naar oplossingen zijn we er nog niet helemaal uit. igg sws niet hoe we de auto nu in kunnen komen zonder dat we weer een raam in moeten slaan.

De sleutel werkt niet omdat ook het slot blokkeert. Waarschijnlijk zo lang niet gebruikt dat het slot vol zit met vuil of gewoonweg te oud is. Ik heb begrepen dat dit vaker voorkomt. Online hebben we meerdere filmpjes gevonden van andere mini coopers waarbij je het slot wel kon gebruiken maar de auto alsnog niet open ging.. We hebben ook met een kledinghaak de deuren geprobeerd te openen van binnenuit. We kregen de hendel open, maar de auto reageerde er niet op, dus ging niet open. Elektrisch..

Afgelopen vrijdag hebben we de sleutels laten testen bij Ekris. De sleutels werken, dus dat is niet het probleem. Zij weten zelf ook niet wat het probleem kan zijn en vinden het erg raar. Hebben ook geen tip hoe we de auto kunnen openen. Ze gaven aan dat er rond die tijd (mijn auto komt uit 2007) de autodiefstal van de Mini's en BMW's zo ontwikkeld zijn dat het vrijwel onmogelijk is om de auto in te komen. Nou dat blijkt nu dus..

Het vermoeden is dat de regelunit kapot is, waaronder dus (ook) de diefstalbeveiliging.
Anders zou het de centrale vergrendeling in de spiegel nog steeds kunnen zijn.

Er stonden meer foutcode op het rapport, ik heb er zelf geen verstand van.. We denken dat het te maken heeft met de volgende foutmelding:
Spanningsvoeding defect (DSC - dynamische stabiliteitscontrole/el..):
- Foutcode DTC 5E31:ECU
- Foutcode DTC 5E30:ECU

Verder staat er bij de andere foutcodes ook meldingen over voedingsspanning en voedingsspanning rekeneenheid spannings-/stroomvoorziening te laag (o.a. airbag en airconditioning).
SIL
Nieuw Lid
Nieuw Lid
Berichten: 5
Lid geworden op: 14 feb 2023, 16:21

Re: Mini Cooper S r56 gaat niet meer open - centrale vergrendeling werkt niet

25 feb 2023, 12:51

Schroefie schreef:
19 feb 2023, 15:06
SIL,

voor bordurend op het verhaal van Robert wat hij zegt over het openen van de deur met de sleutel, dit is mechanisch en moet gewoon mogelijk zijn. Ik heb ooit het probleem gehad dat een voorruit niet goed ingeplakt was en dat daardoor een lekkage ontstond. Ik kon de auto niet meer openen met de AB. Dit was het gevolg dat door de lekkage mijn binnenspiegel, waar zich de ontvanger in bevindt van de AB, vol water stond en de ontvanger van de AB kapot was. Ik kon toen gewoon de deur openen met de sleutel en wat Robert aangeeft ging bij mij direct het alarm af, door meteen de AB zender in het contact te steken zette je gelijk het alarm uit.

Ik zal even kijken of ik het electrische schema van het slot kan terugvinden om te kijken of er naast het mechanisch openen van het slot er toch ook een electrische voorwaarde blijkt te zijn.

Milco
Bedankt @Schroeffie.
Zie ook antwoord aan Robert.
Sleutels zijn getest, daar ligt het niet aan. Autoslot is oud en sleutel wil niet draaien. Dus gaat helaas ook niet.
Ik zal kijken of ik mijn bericht kan ''updaten'' met de status van nu. Ik ben nieuw op het forum.. dus nog even ondervinden hoe alles werkt :)
niekcarfreak
NMC Moderator
NMC Moderator
Berichten: 2350
Lid geworden op: 28 okt 2016, 20:59

Re: Mini Cooper S r56 gaat niet meer open - centrale vergrendeling werkt niet

08 mar 2023, 12:26

Ik vond nog een filmpje over een probleem met de afstandsbediening van een r56. Misschien kun je er iets mee?
Dat de deur niet met de sleutel open gaat is een ander probleem denk ik. Misschien is ooit geprobeerd om niet legaal in je Mini te komen....

SIL
Nieuw Lid
Nieuw Lid
Berichten: 5
Lid geworden op: 14 feb 2023, 16:21

Re: Mini Cooper S r56 gaat niet meer open - centrale vergrendeling werkt niet

08 mar 2023, 14:17

niekcarfreak schreef:
08 mar 2023, 12:26
Ik vond nog een filmpje over een probleem met de afstandsbediening van een r56. Misschien kun je er iets mee?
Dat de deur niet met de sleutel open gaat is een ander probleem denk ik. Misschien is ooit geprobeerd om niet legaal in je Mini te komen....

Bedankt voor het filmpje! :icon_top: Goed voor ons om ook mee te nemen en te checken. Nu we inmiddels in de auto kunnen komen en de deuren niet meer op slot durfde te doen :P lopen we weer tegen andere elektriciteit errors aan. De auto loopt en rijdt perfect, maar het lijkt er toch op (wat ik al vanaf het begin dacht en had aangegeven) dat het waarschijnlijk iets met waterschade te maken heeft en kwam ik dit artikel tegen: https://www.benvanleeuwen.com/reparatie ... fXcpJT8S3U
Dat wordt deze week gecheckt.

Toen ik namelijk eenmaal weer in de auto kon zat mijn auto vol met schimmelplekken. We konden er een week/2 weken ongeveer niet in en daarvoor heeft hij voor het maken van de warmtepomp en thermosstaathuis ook elders gestaan. Toen ik 'm van 't weekend ging schoonmaken merkte ik dat de vloer linksvoor en achter (bestuurderskant) + de achterbak heel nat was. Ik heb zo'n apparaat die warmte afgeeft geleend (geen idee hoe het heet) en een aantal uur in de auto aangehad. Toen ik ging checken of alles het deed had ie weer andere kuren zoals dat het panormadak niet open ging. En toen ie wel open ging, ging ie niet meer volledig dicht. Het slot van de achterbak ging continu open en dicht (ik hoorde het steeds open en dicht klikken), ook tijdens een stukje rijden en nu we van 't weekend de hele linkerdeur van binnen open hebben gemaakt om het sleutelslot weer te maken, reageerde de auto daarna soms weer niet goed op de sleutel (keyfob), of als ik 'm met de keyfob wilde openen sprong de achterklep open en nu schijnt de auto bij het op slot doen alle ramen inclusief het panormadak te openen :O

Dus naast dat we moeten achterhalen waar er mogelijk een lekkage zit zullen we ook de Lichtmodule FRM3 controleren en nemen we dit filmpje ook mee. Ik hoop dat we er zelf uit kunnen komen om hele hoge kosten te besparen, anders ben ik toch genoodzaakt om naar een garage te gaan.
niekcarfreak
NMC Moderator
NMC Moderator
Berichten: 2350
Lid geworden op: 28 okt 2016, 20:59

Re: Mini Cooper S r56 gaat niet meer open - centrale vergrendeling werkt niet

08 mar 2023, 19:44

Dat van die lichtmodule is een goed idee.
Ben benieuwd wat er uit komt.
Gebruikersavatar
Schroefie
NMC Staff
NMC Staff
Contacteer:
Locatie: Veghel
Berichten: 3428
Lid geworden op: 02 jan 2014, 18:12
Nederland

Re: Mini Cooper S r56 gaat niet meer open - centrale vergrendeling werkt niet

12 mar 2023, 11:44

Nu je dit zit te vetellen zou dir FRM module best wel eens het probleem kunnen zijn aangezien heel sturingen via deze module lopen. Wel eens gelezen dat mensen allerlei rare problemen hadden agv een corrupt geraakte FRM module. Naast Ben van Leeuwen was er ook een clublid die dat deed, zal eens kijken of ik zijn naam kan achterhalen.

Milco

Terug naar “MINI R55 (Clubman), R56 (Hatchback), R57 (Cabrio), R58 (Coupé), R59 (Roadster)”

Onze sponsors